基于7号信令的业务应用解决方案
来源:本站 日期:2016-06-23 点击次
1.概述
东进技术提供一系列SS7产品,包括:D320/640 SS7,D327/647/1287 PCI语音卡和DSIU7100,DSIU7200七号信令网关等产品,支持用户不同规模系统的要求。
7号信令语音卡提供1-4 E1数字中继接口、60-120路语音资源;提供了1-2个7号信令链路的处理能力,单机可以支持16E1的处理能力。
七号信令网关(SIU)能够将SS7的各层协议转化为TCP/IP格式,向用户提供方便的标准接口,来控制和管理CTI应用平台。
这些产品与东进技术广泛的基于CT-Bus总线和MVIP总线的CT硬件和软件产品集成在一起,从而实现支持7号信令的高复杂度的CT系统,应用于有线和无线的电信网络中。这些方案也适用于开发建立AIN环境下的增值业务平台,业务节点和智能外设等等。
2.七号信令语音卡
东进七号信令语音卡是D系列语音卡产品中的重要成员,包括PCI和ISA两种接口,单卡可以处理30-120数字中继,提供60-120语音资源,能够为7号信令CTI系统提供一体化解决方案。$$$$$
D327/647/1287 PCI采用H.100(CT-Bus for PCI)标准和PCI接口总线,全球领先的DSP数字处理算法,集30/60/120路语音处理,E1/双E1/4E1(PCM)数字中继接口于一体,支持七号信令(SS7)。
2.1性能特点:
。E1/双E1/4E1数字中继接口,提供30/60/120路中继通道处理能力。
。单板完成一或两个信道信令、30/60/120路DTMF 收发,数字录放音及压缩。
。多达10个TMS320C54 数字信号处理器,独立的高速SDRAM,处理能力高达
1000 MIPS,实现高性能的信号处理算法,完成所有的电话语音信号处理、DTMF
收发、及数字录音,压缩及回放。
。标准H.100接口。单机多达16片,960中继通道;支持机间互联,提供高达4096
路无阻塞直接交换能力。
。语音编码为标准A律PCM,压缩方法为ADPCM,可软件设置。
。完全按照《CCITT 七号信令技术规程》和GF001-9001《中国国内电话网No.7 信号
方式技术规范》设计,提供七号信令的第一,二,三级MTP及第四级TUP、SCCP、
ISUP功能,支持24位和14位地址编码。
。单板完成一个或两个七号信令链路的处理。
。支持与东进公司一号信令以及数字一号信令产品的共用方式。
。内置会议功能,无需附加会议卡,支持2个32方电话会议以及均衡的多方会议录音。
。支持即插即用(PnP),无任何硬件跳线设置,安装简单。
。识别Fax/Modem以及其他特种信号音。
。回声消除和内存录音功能,支持语音识别等应用。
2.2支持的操作系统:
Windows NT4.0
Windows 98
Windows Me
Windows 2000
2.3开发接口:
Visual Basic
C (Visual C++, Borland C++ ……)
Delphi
Visual FoxPro
Power builder
其它支持动态连接库(DLL)的开发平台
2.4软件工具:
语音编辑工具
模拟交换机软件
丰富的范例程序源代码
2.5产品应用:
交互式语音应答系统(IVR)
呼叫中心(Call Center)
自动呼叫分配(ACD)
语音信箱(Voice Mail)
电话叫醒(Morning Call)
电话通知系统(Voice Broadcast)
基于电脑的小型用户交换机(PC-based PBX)
电话会议(Tele-Conference)
电话聊天室(Tele-ChatRoom)
3、 7号信令语音卡解决方案
与其他厂商的产品不同,东进的7号信令语音卡能够在一块卡上实现7号信令处理、语音处理、DTMF收发,会议等强大的功能,是实现支持7号信令的CTI系统的性价比最高的解决方案。
3.1七号信令语音卡的配置
7号信令语音卡上配置D160A-TTS实现TTS功能。
7号信令语音卡上配置D080F实现传真功能。
7号信令语音卡上配置D160A实现座席功能。
3.2信令语音卡与其他产品的共用方式
7号信令语音卡支持在一台机器里面与一号信令语音卡/数字一号信令语音卡的共用方式,应用于需要信令转接的电信系统。如下图所示:$$$$$

多种信令语音卡单机共用
7号信令语音卡支持在一台机器里面与模拟中继语音卡D160A PCI的共用方式,实现数模混合接入。如下图所示

7号信令语音卡与模拟(中继 / 座席)语音卡共用
3.3例
银行卡打电话,IP通天下。
4、7号信令网关
7号信令网关是通过TCP/IP LAN向一组分布式应用平台提供七号信令的网络接口设备,实现七号信令的消息传送部分(MTP)和一系列用户部分(ISUP、NUP、SCCP、TCAP和MAP)。为下述应用系统提供7号信令解决方案:
大容量语音传真信箱系统
声讯系统
寻呼系统
电信特服汇接中心
新业务中心
呼叫中心(Call Center)
统一消息平台(Unified Message)
智能网(IN)
IP电话网关
7号信令网关支持多条SS7信令链路。7号信令网关能够检测出携带SS7信令消息的时隙,加以处理,通过TCP/IP输出到LAN上。相似地,7号信令网关从TCP/IP LAN接收命令,转换为SS7信令后送到网络中去。PCM中其他的时隙是话路时隙,则经过另一个PCM接口输出到语音系统中。

7号信令网关原理示意图
东进7号信令网关系列产品包括DSIU7100和DSIU7200。前者支持1个链路,后者支持2个链路。
DSIU7100单链路网关能够处理一条7号信令链路,可以支持4096话路,为通信网上的多种增值服务系统提供七号信令网络平台,使其具有七号信令接口。其突出特点是――两个DSIU7100可以成对配置,共用同一个信令点码。这种配置是完全的冗余方案。正常操作时,信令是由两个DSIU7100负荷分担的,一旦某个DSIU7100发生故障,则故障网关上的业务会由另一个DSIU7100来接管。
DSIU7200备份链路网关在一台机器上提供了两条7号信令链路处理能力,可以支持4096话路,为通信网上的多种增值服务系统提供七号信令网络平台,使其具有七号信令接口。正常操作时,信令是由两个链路负荷分担的,一旦某个链路发生故障,则故障链路上的业务会由另一条链路来接管。
4.1性能特点
符合CCITT及中国七号信令标准,可用作SP,支持CCITT的24位统一编码,同时支持14位编码格式。
支持多达128个语音处理节点配置
控制多达4096路语音通道
网关与节点之间采用可靠的TCP/IP通信协议
支持多网关应用方式
4.2网络接口:
2/4个E1接口,75Ω/120Ω阻抗可选
一个10/100M以太网(LAN)接口(RJ-45)
4.3客户端开发支持
4.4操作系统:
Windows NT4.0
Windows 95/98
Windows 2000
4.5开发接口:
Visual Basic
C (Visual C++, Borland C++ ……)
Delphi
Visual Foxpro
Powerbuilder
其它支持动态连接库(DLL)的开发平台
5、七号信令网关解决方案
5.1 7号信令网关的配置
我们以7号信令网关的单机单链路、单机双链路、双机双链路、多网关应用为例介绍如何配置东进7号信令网关,为CTI系统提供高性价比的7号信令解决方案。

7号信令网关与CTI系统的集成举例—单机单链路

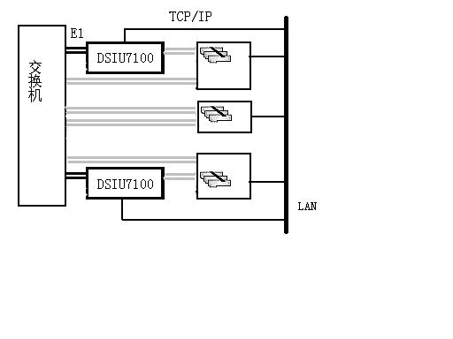
7号信令网关与CTI系统的集成举例—双机双链路

图7 7号信令网关与CTI系统的集成举例—单机双链路

7号信令网关与CTI系统的集成举例—多网关应用
5.2软件开发包
软件开发包供用户开发基于SS7信令系统的CTI应用系统。开发包提供一组C++的API,在7号信令网关与LAN中的其他计算机之间实现通信和控制。
这些API对不同用户部分是一致的,允许用户的应用同时支持多个用户部分协议,而无需改变原来的应用软件。
开发包可以用于Windows98、Win NT、Windows2000操作系统,支持东进语音卡、Dialogic语音卡和其他厂商的数字中继语音卡,并提供了相关的范例程序。
5.3应用举例
某传呼台原有6个E1中继,采用Dialogic数字中继语音卡D/300SC E1平台,中国1号信令接入。近来因为传呼业务萎缩,欲转型做外包呼叫中心,许多新的业务功能需要7号信令支撑。寻呼台要求在最大限度保护现有投资的基础上寻找性价比高的7号信令解决方案。
某系统集成商在原有Dialogic语音平台的基础上,采用了两台东进7号信令网关DSIU7100升级该寻呼系统。
由于采用双机双链路的工作方式,两个网关同时工作,负荷分担式管理信令链路,提供冗余备份功能。当一条链路出现故障,网关系统则自动执行倒换功能,将出现故障的链路上的信令业务倒换另一条链路上,直到工作链路恢复正常,网关系统将信令业务倒回到原来的链路上,保证信令系统正常运行,为系统提供稳健的信令服务平台。网关和应用系统在不同的机器上运行工作,达到故障分离的目的,各子系统互不干涉,一个子系统出现故障,其它之系统仍能保持正常运行。系统稳定性显著提高,不仅提高了话路的利用效率,还提供了许多全新的功能。
-
Keygoe1001-PCS1UD2多媒体交换机
东进Keygoe1001-PCS1UD2多媒体交换机是专为1~120路中小规模电信增值业务、呼叫中心和企业通信而设计的多媒体通信平台,它在1U高的机箱内提供2个E1的数字中继接口、30个模拟接口以及扩了解更多 -
东进Keygoe200模拟接口多媒体处理板K161A-E
东进Keygoe200模拟接口多媒体处理板K161A-E采用PCIe计算机总线结构,硬件上由底板加模块组成,具有16路模拟电话线接口,提供外线、内线、外内线、高阻录音、E/M控制、2线语音、4线语音等了解更多 -
Keygoe9003多媒体交换机
关注“东进技术信息安全”微信号



