东进携手商路通,助力零售业线上线下融合
来源:本站 日期:2016-12-27 点击次
近日,东进技术携手合作伙伴北京商路通,为某连锁零售集团成功打造了覆盖线上和线下全渠道客户服务的呼叫中心系统,该呼叫中心系统采用东进keygoe系列多媒体交换机实现了线上和线下渠道资源的有机整合和良性互动,向顾客提供线上、线下一致的服务体验,满足顾客的一站式消费需求。
(图:东进keygoe系列多媒体交换机)
该集团是国内规模较大的连锁零售企业之一,截至目前,其连锁网络覆盖全国18个省30多个城市,拥有47家实体购物中心,年销售规模达180亿元。2015年1月,集团同步开通了线上商城,建立了基于互联网和移动互联网的线上运营体系,以打造电子商务和实体销售相结合的新型连锁零售模式。但随着线上业务量的快速增长,线上和线下这两个渠道在客户服务方面的冲突也逐渐显现出来。
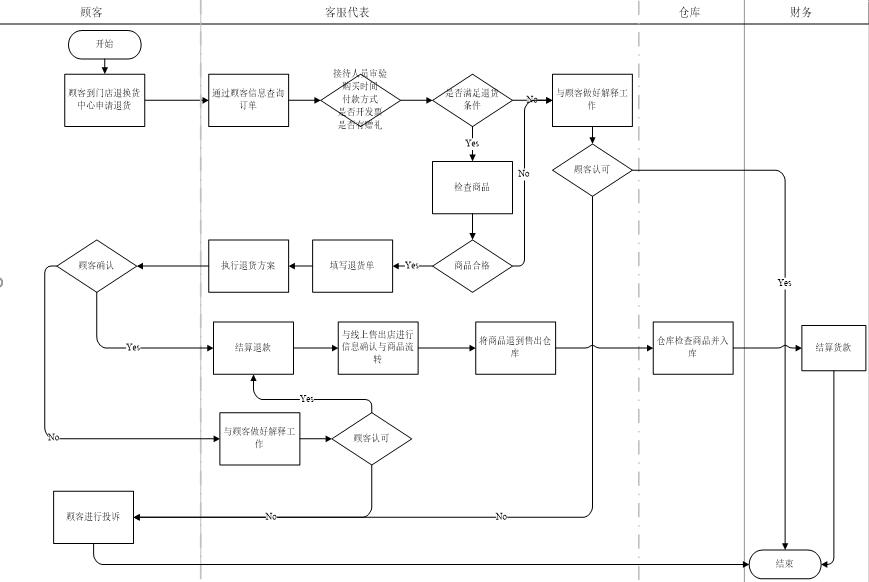
以客户退单业务为例,对于同一个渠道的退单请求,如线上买线上退或线下买线下退,目前的客户服务系统具有较完善的业务流程,能快速为客户完成退单操作,但对于线上买线下退的退单请求,现有的客户服务系统没有完全整合线上和线下渠道,以致在仓储、物流、财务等方面难以快速协同,客户退单操作繁复,等待时间过长,投诉量增加,客户满意度下降,在一定程度上影响集团打造十多年的品牌影响力。
为向顾客提供线上和线下一致的服务体验,满足顾客的一站式消费习惯,该集团选择了东进Keygoe多媒体交换机和商路通Hi-Agent业务平台共同为其构建全渠道的客户服务系统,打通线上和线下服务渠道,为客户提供一致的服务体验。该客户服务系统在处理线上买线下退的退单请求时,与仓库、财务、顾客分别进行沟通和协同处理,对退货单详情进行核实并进行有效拦截和记录的操作,系统同时与SAP ERP核心系统、富基会员营销系统进行验证,操作结果同步。
全渠道客户服务系统在处理线上买线下退的退单请求的流程如下图所示:
目前,纯电商的业务模式已经发展到一个较高的水平,但对于零售业来说,渠道将逐渐向线下延伸,将线下物流、服务、体验等优势与线上商流、资金流、信息流融合,拓展智能化、网络化的全渠道布局,特别是在客户层面,需要提供高端稳定可靠、线上线下完全同步、资源高度整合的客户服务,能灵活快速开展服务创新模式,以应对纯电商业务模式的竞争。
东进Keygoe多媒体交换机在呼叫中心的应用中,以其卓越的IP融合能力契合了分布式式IP呼叫中心的需求,为客户服务系统由传统电话网向互联网迁移提供了强大的业务部署和运营能力;Hi-Agent业务平台是北京商路通自主研发的一套业务生成平台,能快速实现完整的覆盖线上渠道、线下渠道的咨询、投诉、业务办理(涉及退货、补偿、提现、账户、订单等)的全渠道客服业务流程,无论是线上电商客户,还是线下门店客户,都可以通过全渠道呼叫中心统一发起客服请求,得到统一一致的客户服务体验。
关于东进技术:
深圳市东进技术股份有限公司,简称东进技术,是全球领先的多媒体通讯核心设备供应商,全球多媒体信息交换技术领导者。作为国内最早专业从事计算机电话集成(Computer Telephony Integration,简称CTI)核心部件的研发企业,公司聚集了一流的产品研发工程师,始终保持全球技术领先地位。东进产品的装机端口数稳居同行业第一位。
关于北京商路通:
北京商路通信息技术有限公司,简称商路通,是专注于呼叫中心软件自主研发的高新技术企业,拥有数十项呼叫中心软件知识产权及专利,覆盖平台、业务、运营等呼叫中心各个领域。作为国内第一批从事CTI研发的企业,商路通技术优势明显,提供丰富的产品线及强大的客户化定制能力,广泛应用在金融、保险、互联网、外包等50多个行业,500多家客户,5万多座席。
关注“东进技术信息安全”微信号



